ANALYZER第一热研 CG-SM 氧气浓度计ANALYZER第一热研 CG-SM 氧气浓度计Eco Azette CG-SM 是一款小巧轻便的O2 测量仪,检测部分使用稳定氧化锆陶瓷。特征1.可通过小采样测量2. 紧凑的设计3. 结构简单,易于维护N2 PSA O2 米 CG-SM 外形图CG-SM大纲规格安装室内安装型…
ANALYZER第一热研 CG-SM 氧气浓度计
ANALYZER第一热研 CG-SM 氧气浓度计
Eco Azette CG-SM 是一款小巧轻便的O2 测量仪,检测部分使用稳定氧化锆陶瓷。
特征
1.可通过小采样测量
2. 紧凑的设计
3. 结构简单,易于维护
N2 PSA O2 米 CG-SM 外
形图

CG-SM
大纲

规格
| 安装 | 室内安装型:平面和壁挂式 *仪表为面板安装 |
|---|---|
| 测量范围 | 10ppm ~ 25%O2 |
| 表示法 | 数字 3 1/2 位或 4 位显示 |
| 范围数 | 1 量程:可在上述测量范围内或仪表显示范围内 指定 最小量程:0 ~ 100ppmO2 |
| 贡献 | D.C.0-1V 或 D.C.4-20mA(可选) |
| 警方报告 | 上限报警 1 点 C 触点 |
| 线性 | ±在 1% FS 以内 |
| 再现性 | ±在 1% FS 以内 |
| 响应速度 | 10秒内90%响应(摆动到高浓度侧时) |
| 漂移 | ± 2% FS/周或更低 |
| 示例术语 | 不含水分、灰尘、腐蚀性气体、卤素气体、易燃气体等。 |
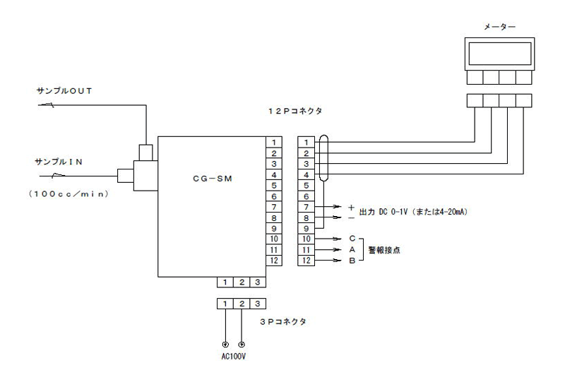
| 采样 | 样品气体注入 |
| 样品流速 | 100 ± 10cc/分钟 |
| 样品压力 | 0.01~0.05MPa |
| 样品温度 | 80°C最大 |
| 管道连接 | 入口和出口 Rc 1/4 |
| 暖风时间 | 约20分钟 |
| 电源 | 仪表电源 AC 100V ± 10V50/60Hz |
| 附属品 | 面板仪表,电源线3m,仪表连接线3m |
| 选择 | 带针阀的流量计 |