日本CCS西西斯 数字电源 PD2-3024-8(A)日本CCS西西斯 数字电源 PD2-3024-8(A)产品详细信息外观尺寸W 110 mm x D 170 mm x H 122 mm适合光源(输出定额)24 V/25 W通道数8 channels驱动方式Constant lighting发光方式常时发光调光方式PWM control调光Use of the i…
日本CCS西西斯 数字电源 PD2-3024-8(A)
日本CCS西西斯 数字电源 PD2-3024-8(A)
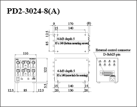
| 外观尺寸 | W 110 mm x D 170 mm x H 122 mm |
|---|---|
| 适合光源(输出定额) | 24 V/25 W |
| 通道数 | 8 channels |
| 驱动方式 | Constant lighting |
| 发光方式 | 常时发光 |
| 调光方式 | PWM control |
| 调光 | Use of the intensity control knobs on the front panel (Coarse and Fine, 16 steps for each knob) |
| PWN频率 | 62.5 kHz |
| 频率 | 50/60 Hz |
| 输入电压 | 100 to 240 VAC |
| 消耗功率 | 78 VA typ. |
| 输出电压 | 24VDC |
| 输出电流 | 1.0 A (total for 8 channels) |
| 涌入电流(typ) | 15 A (at 100 VAC) *From a cold start |
| 错误检测显示 | The Error indicator lamp on the front panel is lit when overcurrent is detected |
| 错误检测输出 | External control connector 12 pin (OCP): Open in normal condition, Open-collector ON when an overcurrent is detected. |
| 过电流保护 | Yes |
| 外部控制输入 | Insulation: Not insulated with a Control Unit Circuit: Pull-up of +5 V internally by use of resistor (2.2 kΩ), HS-CMOS input |
| 输出端口 | SMP-03V-BC (1: Output(+), 2: NC, 3: Output(-)) x 8 |
| 外部控制端口 | External control: 25-pin D-sub plug with M2.6 mm screws |
| 适合规格 | CE, UKCA、RoHS |
| 使用温湿度 | Temperature: 0 to 40°C, Humidity: 20 to 85%RH (no condensation) |
| 保存温湿度 | Temperature: -20 to 60°C, Humidity: 20 to 85%RH (no condensation) |
| 冷却方式 | Natural air cooling |
| 重量 | 1,500 g |
| 材质 | Steel plate t1.0 |
| 附属品 | 2m long 3-prong AC power cord with ground terminal, Instruction Guide, Optional Cable Operation Guide |
